Guest jetronic79 Posted September 16, 2012 Share Posted September 16, 2012 (edited) Hy Guys! I'm a new member and to greet everybody! I have a great problem, please help me, if you can. I have an escort MKIV 1.6 90hp. Intermittent wiper switch (with 6 speed rotary dial) doesn't in my car, only the normal switch with 1 speed without rotary dial, because my car doesn't ghia, but I like very much the 6 speed. I have bought a 6 speed wiper switch. Number: 89 AG 17K 478 BA and a new red relay with 5 legs(the normal relay has four legs, without the middle "P" leg) Number: 78GG 17C 499 BA I know, that this function was factory extra for example in escort MKIV ghia in 89-90, in the spec 90 series, or in orion ghia MKII. This relay is third what I bought in the last year. One was working approx 2 hour, and it stopped, without a trace( no smelling, no burning, I don't see anything on it, neither either nor outside, the solder joints are intact) I bought the other in the last week.When I connected and started, it was working perfectly, than when I try to start after an hour, it didn't work and it doesn't work since then. My method was the next: I connected the point 54 of the wiper switch (this leg belongs to the diary Knob, and this leg is the single, what misses from the normal switch)with the middle "P" leg of the relay with a wire. Do you think, is it good? I daren' connect the new relay. What would be the fail? I don't find a car in Hungary what I would check, I can't check the wire from the switch to the relay. I think that should be any little control electronics on the wire between the switch and relay, but I dont't find any information or picture on the internet. I don't now what to do, therefore I turn to you now. If anybody has such a wiper switch in his car, please help me. If we were able to follow the wire, perhaps we should to solve my problem. I have attached the pictures of intermittent switch and relay. I'm waiting your help here or in private message. Thank you very much. Edited September 16, 2012 by jetronic79 Quote Link to comment Share on other sites More sharing options...
Guest Lee81 Posted September 16, 2012 Share Posted September 16, 2012 From experience the problem lies in the wiper switch itself. Mines is the same in that it will work most of the time but occasionally it wont work. Seems to be something internal on the switch as when pushing the switch to the rear it will start working again. have seen many others with this same problem Quote Link to comment Share on other sites More sharing options...
Guest jetronic79 Posted September 16, 2012 Share Posted September 16, 2012 That's interesting, that the switch is working perfectly with the older 4 legs relay, so 1 speed is working, if i turn down the stalk. I'm gonna try your solve tomorrow. Quote Link to comment Share on other sites More sharing options...
Guest jetronic79 Posted September 16, 2012 Share Posted September 16, 2012 Do you know, is there any electronic intermittent speed control unit between the switch and the relay? Quote Link to comment Share on other sites More sharing options...
Guest Lee81 Posted September 16, 2012 Share Posted September 16, 2012 I prity sure there isn't. That sort of function should be inside the wiper stalk itself. Hence the rotation of the dial between intermitents essentially connects a new circuit in place of the existing intermitent wipe Quote Link to comment Share on other sites More sharing options...
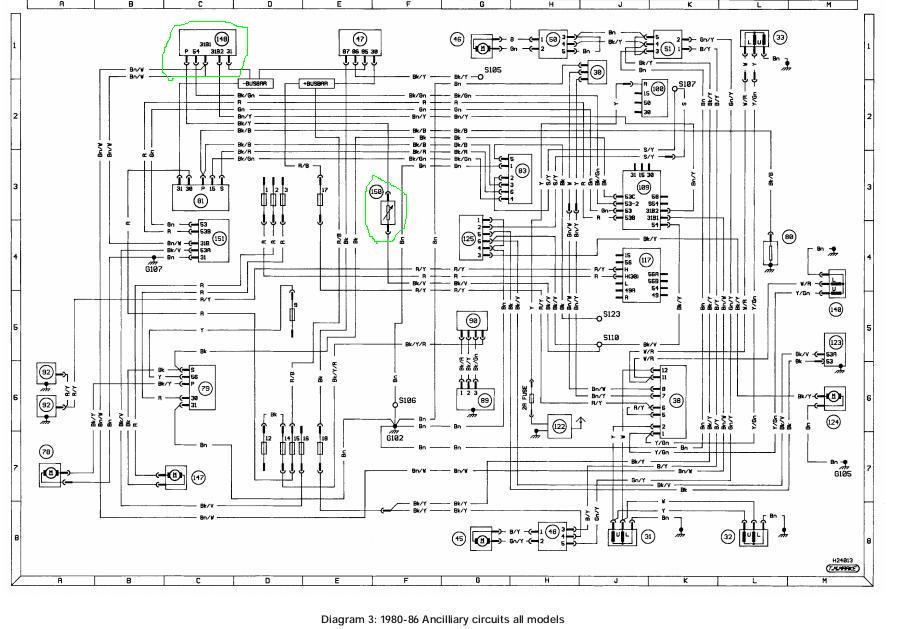
Guest jetronic79 Posted September 17, 2012 Share Posted September 17, 2012 (edited) Thank you your help Lee! What do you think about these diagrams from Haynes? I attached these. The first diagram shows system of MKIII , the second shows the MKIV. It's interesting. I marked the relay (number 148)and the speed control part with green pencil on the diagram MKIII. I had also MKIII, but I know, that MKIII hasn't multi speed wiper switch, but the relay on the diagram is 5 legs relay with the middle "P" leg, and there is an intermittent speed control part (this is the name of this part in Haynes)on the wire, between the "P" leg and the 54th leg of the switch. The number of this part is 150. 5 legs relay doesn't on the second diagram, only the normal relay with 4 legs. I marked the relay and the leg of the switch 54 with red pencil on the second MKIV diagram. I don't understand. What do you think? Edited September 17, 2012 by jetronic79 Quote Link to comment Share on other sites More sharing options...
iansoutham Posted September 24, 2012 Share Posted September 24, 2012 On the relay, the centre pin is connected directly to the spare pin connection on the wiper switch plug (near the top). If you do not connect this, then the intermitant part will not work, only the normal continuous speeds. I do agree though that the switch does sound faulty. Quote Link to comment Share on other sites More sharing options...
Guest jetronic79 Posted September 28, 2012 Share Posted September 28, 2012 Thank you your help Guys, you had true, my switch was wrong. More exactly the pin of the turning knob doesn't contacts perfectly. I have bought another switch, and the intermittent function is working perfectly, I hope it will also working perfectly in the future. Quote Link to comment Share on other sites More sharing options...
Admin Paul Posted September 28, 2012 Admin Share Posted September 28, 2012 Glad you got it sorted Quote Link to comment Share on other sites More sharing options...
Recommended Posts
Join the conversation
You can post now and register later. If you have an account, sign in now to post with your account.